协会logo
南充市有害生物防制协会
NANCHONG PEST CONTROL ASSOCIATION
会员档案查询入口
服务能力查询
  • 首页
  • 了解协会
    协会简介 协会章程 联系我们
  • 标准专栏
    国家标准 行业标准 创卫标准 地方标准 指导性技术文件 强制性国家标准 推荐性国家标准
  • 企业能力查询
    服务能力查询 会员档案查询
  • 企业服务
    创卫指导 招投标指导 企业专属培训
  • 专家委员会
    学术型专家 技术型专家 会员单位
  • 培训教育
    个人证书查询 培训信息公示 培训基地目录
  • 资料共享
  • 行业动态
    协会动态 行业资讯 时政信息 培训动态
1 首页
首页 > 标准专栏 > 行业标准
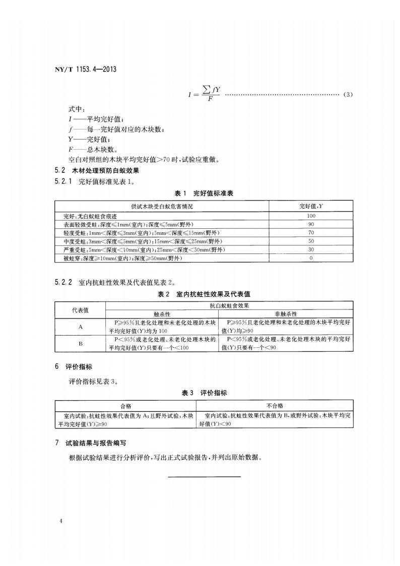
农药登记用白蚁防治剂药效试验方法及评价 第4部分:农药木材处理预防白蚁

NY-T 1153.4-2013 农药登记用白蚁防治剂药效试验方法及评价 第4部分:农药木材处理预防白蚁_01.jpg

NY-T 1153.4-2013 农药登记用白蚁防治剂药效试验方法及评价 第4部分:农药木材处理预防白蚁_02.jpg

NY-T 1153.4-2013 农药登记用白蚁防治剂药效试验方法及评价 第4部分:农药木材处理预防白蚁_03.jpg

NY-T 1153.4-2013 农药登记用白蚁防治剂药效试验方法及评价 第4部分:农药木材处理预防白蚁_04.jpg

NY-T 1153.4-2013 农药登记用白蚁防治剂药效试验方法及评价 第4部分:农药木材处理预防白蚁_05.jpg

NY-T 1153.4-2013 农药登记用白蚁防治剂药效试验方法及评价 第4部分:农药木材处理预防白蚁_06.jpg

上一篇: 农药登记用白蚁防治剂药效试验方法及评价 第3部分:农药土壤处理预防白蚁 下一篇: 农药登记用白蚁防治剂药效试验方法及评价 第5部分:饵剂防治白蚁

地址: 四川省南充市顺庆区和平东路34号     电话: 18121931888     网站: nanchong-pcoa.com

    蜀ICP备2025177056号-1     © 2025 南充市有害生物防制协会 版权所有